Engine Cooling System - 2001 Chevy Venture


There was a post in the automotive forums recently asking about the engine cooling system operation. 
Here is some information I gathered from a couple of repair manuals.
Note: I have plotted some data on the cooling system on my van -> Cooling Cycle
Here is the temperature gauge with the numbers printed on it -> Temperature Gauge

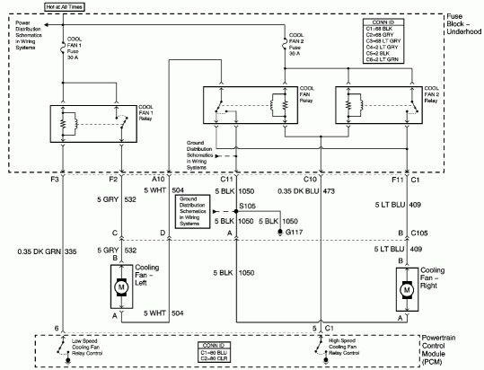
Cooling System Fans Description & Operation

The fan system includes the following components:

  • Two (2) electric cooling fans (Left & Right)
  • Three (3) fan relays (COOL FAN 1, COOL FAN & COOL FAN 2)
  • Two (2) fuses (30 Amp Maxi fuses #6 [COOL FAN 1] & #1 [COOL FAN 2])
  • All associated wiring & connectors

There are three basic modes for the fans: OFF, Low-Speed, and High-Speed.  These modes are controlled by the Powertrain Control Module (PCM).

Fans OFF: 

  • When the coolant temperature is less than about 220 degrees F (104 degrees C) or
  • The A/C refrigerant pressure is less than 190 psi (A/C off).

Low-Speed:

  • When the coolant temperature is between about 220 degrees F (104 degrees C) and 230 degrees F (110 degrees C) or
  • The A/C refrigerant pressure is more than 190 psi (1310 kPa) or
  • When van is turned off and the coolant temp is more than about 284 degrees F (140 degrees C) and system voltage is more than 12 Volts.  Fans will run for about 3 minutes.

High-Speed:

  • When the coolant temperature is above about 230 degrees F (110 degrees C) or
  • The A/C refrigerant pressure is more than 240 psi (1655 kPa) or
  • When certain DTCs are set.

Other information:

  • The thermostat for these vans normally opens at about 195 degrees F (93 degrees C)
  • The "Engine Coolant Temperature" message should appear (on dash) if the engine coolant temperature is above about 262 degrees F (128 degrees C).  PCM sends a message to the Instrument Panel indicating temperature.
  • The "Engine Coolant Level" indicator should appear (on dash) if the coolant level goes below a certain level.

Here is the schematic for the engine cooling system.  Click on it for a larger view.
Engine Cooling System Schematic

Circuit With Fans On LOW Setting (below)
Circuit w/fans @ LOW Speed

Circuit With Fans On HIGH Setting (below)
Circuit w/fans @ HIGH Speed

Van Home | Maintenance Index | Other Information