Rear Power Windows - 2001 Chevy Venture

There was a post in the automotive forums recently asking about the rear power windows that did not operate.
 
Here is some information I gathered from a couple of repair manuals.

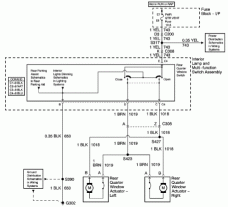
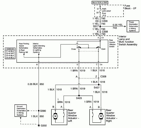
Rear Window Description & Operation

The rear quarter windows are operated by the rear quarter switch (on the interior lamp multifunction switch).

The rear quarter window system includes the following components:

  • Left-Rear and Right-Rear Quarter Window Actuators
  • Interior Lamp & Multifunction Switch

The rear quarter windows will operate under the following conditions:

  • The ignition is in RUN or RAP (? Delayed Accessory Power)
  • The rear quarter switch is operated in either the open or close direction

When the rear quarter window switch is depressed to the open position:

  • battery voltage is applied to the open circuit and
  • ground is provided through the close circuit, to both rear quarter window actuators.

The result is both of the rear quarter windows open.

When the rear quarter window switch is depressed to the close position:

  • battery voltage is applied to the close circuit and
  • ground is provided through the open circuit, to both rear quarter window actuators.

The result is both of the rear quarter windows close.

Here is the schematic for the rear power windows.  Click on it for a larger view.
Rear Power Window Schematic

Van Home | Maintenance Index | Other Information | Forum| Donate